Aller au contenu

Circuit en régime variable non sinusoïdal


olafelix

Messages recommandés

Posté(e)

Bonjour, merci à ceux qui pourront m'aider et me corriger car sans séances TP concrètes , j'ai beaucoup de mal....voilà ce que j'ai pu faire

1.  Courant linéaire dans une bobine réelle

1.    Rappeler le modèle du dipôle équivalent à une bobine dont on ne néglige pas la résistance série r.

 

 

image.png.cd3078b6b4e79ec6600f9fc2b77ed0d9.png

 

2.    Donner (en convention récepteur) l’expression de la tension u aux bornes de la bobine en fonction de r, L et de l’intensité i du courant qui la traverse.

                                                                     U = L * di/dt + ri

3.    Une bobine d’inductance L = 242 µH et de résistance r = 0,75 Ω est parcourue par un courant varient linéairement entre + 100 mA et – 100 mA en 0,5 ms.

 

a.    Représenter i et u en concordance des temps.                       

 

 

U = 0,075 V  en appliquant   (L*di/dt +ri)                                            I = ?

 

 

b.    Calculer l’énergie E stockée par l’inductance lorsque i = + 100 mA

    E = 1/2 * Li² = 1/2 * (242 * 10^-6) * (100*10^-3)² = 1,21 * 10^-6 J

 

 

 

 

c.    Tracer l’allure de E en fonction du temps entre les instants t = 0 et t = 0,5 ms.

 

 

 

 

 

 

2. Charge d’un condensateur à courant constant

 

1.    Rappeler la relation entre la charge q emmagasinée dans un condensateur, la tension uC aux bornes du condensateur et sa capacité C.

                             q = C*uc

2.    Rappeler la définition de l’intensité i d’un courant électrique.

                               i = dq/dt

3.    Retrouver la relation entre i, uc et C dans un condensateur à partir des deux relations précédentes.

                          q = Cuc dont i = d(Cuc)/dt

4.    Montrer par un raisonnement mathématique que lorsque l’intensité i du courant est continue, la tension uc est de la forme :

                                                uc = a (alpha)t + U0

Où U0 est la tension aux bornes du condensateur à t = 0s et ɑ une constante que l’on exprimera en fonction de i et C.

 

 

 

 

5.    Application

 

Soit un condensateur de capacité C = 0,1 µF

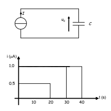
a.    Donner l’expression de uc pour i = 0,5 µA avec uc (t = 0) = 0 V.                                                                          

                                                                                                                                                   image.png.5ac8c2d9b4d6fcac7b5d68af61e4be8e.png

b. Calculer uc à t = 20 s.

c. Donner l'expression de  uc pour i = 0 µA avec uc(t = 0) = 1 V.

d. Donner l'expression de uc pour  i = 1 µA avec uc (t = 0) = 1 V.

e. Donner l'expression de uc pour t = 10 .

f. Tracer uc en concordance de temps avec i dont l'évolution au cours du temps est indiqué ci- contre

 

Merci encore 

Posté(e)

Bonjour,

 

ex 1)

3)

a)

i = 0,1 - 0,2*t/(5.10^-4)
i(t) = 0,1 - 40.t  (pour t dans [0 ; 5.10^-4] s)

di/dt = -40

U = L * di/dt + ri
U = 242.10^-6 * (-40) + 0,75*(0,1 - 40.t)
U(t) = 0,06532 - 30t  (pour t dans [0 ; 5.10^-4] s)

A dessiner, les 2 segments de droites représentant i et U pour t compris dans [0 ; 0,5.10^-3] s
*****
c)
E(t) = 1/2.L.(i(t))²
E(t) = 1/2 * 242.10^-6 * (0,1 - 40.t )²
E(t) = ...

*****

Calcul non vérifiés.

 

 

Posté(e)

Rebonjour,

Ex 2

3)
q = C.uc
i = C.duc/dt 

4)
Si i = I (constante)
On a : C.duc/dt = I
duc/dt = I/C
uc = I/C * t + A (avec A une constante)

uc(0) = Uo --> Uo = I/C * 0 + A
A = Uo

uc(t) = I/C * t + Uo
De la forme uc(t) = alpha * t + Uo avec alpha = I/C

5)

a)

uc(t) = I/C * t + Uo
uc(t) = 0,5.10^-6/10^-7 * t + 0
uc(t) = 5 * t 

...

Calculs toujours non vérifiés.

  • E-Bahut
Posté(e)

Je suppose que c'est évidemment pour le i de la première partie.

L'énoncé dit courant varient linéairement entre + 100 mA et – 100 mA en 0,5 ms.

La variation linéaire implique que i(t) est de la forme i(t)=a+b*t.

i(0)=0,1 A => a=0,1

i(0,5*10-3)=-0,1 => a+b*0,5*10-3=-0,1 soit, comme a=0,1, b=(-0,1-0,1)/0,5*10-3=-400 A/s.

d'où i(t)=0,1-400*t

OK ?

Posté(e)

@julesx    merci, y a t.il un livre simple permettant de se mettre à niveau.Rien dans le cours sur les variations linéaires .Complexe car avant en cours ,on appliquait et on posait les questions si on comprenait pas or on peut plus .

J 'ai pas compris le calcul de b ...désolé

  • E-Bahut
Posté(e)

A priori, ça concerne les mathématiques. Par contre, je ne peux rien te conseiller de particulier. Regarde peut-être les cours correspondants présents sur Internet.

Je reviens sur le calcul de b :

i(t) varie entre 0,1 A et -0,1 A, la valeur -0,1 étant atteinte au temps t=0,5 ms, soit 0,5*10-3 s.

Comme l'équation de i(t) est de la forme a+b*t et qu'on connait déjà a=0,1, il suffit d'écrire que i(0,5*10-3)=-0,1 donc que 0,1+b*0,5*10-3=-0,1

0,1+b*0,5*10-3=-0,1

=>

b*0,5*10-3=-0,1-0,1=-0,2

d'où b=-0,2/(0,5*10-3)=-400

Posté(e)

Rebonjour,

 

Oui, comme indiqué ... calculs non vérifiés et donc :

i = 0,1 - 0,2*t/(5.10^-4)
i(t) = 0,1 - 400.t  (pour t dans [0 ; 5.10^-4] s)

di/dt = -400

U = L * di/dt + ri
U = 242.10^-6 * (-400) + 0,75*(0,1 - 400.t)
U(t) = 0,0218 - 300t  (pour t dans [0 ; 5.10^-4] s)

A dessiner, les 2 segments de droites représentant i et U pour t compris dans [0 ; 0,5.10^-3] s

Sauf nouvelle distraction.

?

Archivé

Ce sujet est désormais archivé et ne peut plus recevoir de nouvelles réponses.

×
×
  • Créer...
spam filtering
spam filtering