olafelix Posté(e) le 25 mars 2020 Signaler Posté(e) le 25 mars 2020 Bonjour, Merci , j'ai tenté de faire au mieux et vraiment si vs pouvez corrigez et m'aider merci car je comprends pas pourquoi sur le modulo 5 , on passe de 0 à 2 ds la table de vérité alors que normalement on est censé passer de 0 à 1 puis de 1 à 2 jusqu'a 4 et que c'est à 4 que cette table est sensée s'arrêter or dans cet exo elle va jusqu'à 7. Voilà un devoir d'automatisme que je dois faire et merci de vos explications et corrections.
E-Bahut julesx Posté(e) le 25 mars 2020 E-Bahut Signaler Posté(e) le 25 mars 2020 Je ne suis pas sûr de pouvoir t'aider, mais, d'office, sans la pièce jointe, personne ne pourra rien pour toi.
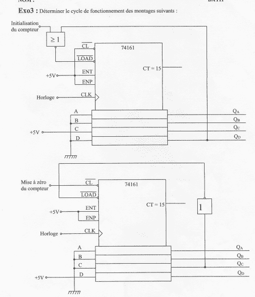
olafelix Posté(e) le 25 mars 2020 Auteur Signaler Posté(e) le 25 mars 2020 Désolé , voici la pièce Bonjour et désolé voici le début merci bcp...je continue à faire le reste.
E-Bahut julesx Posté(e) le 25 mars 2020 E-Bahut Signaler Posté(e) le 25 mars 2020 Désolé, je pensais bien que je ne pourrais pas t'aider, n'ayant jamais approfondi cette partie de l'automatisme. Juste un truc, peut-être, à propos du compteur modulo 5, à mon avis, on recommence à compter à partir de 6, donc on aurait les mêmes états pour 6 que pour 0, pour 7 que pour 1, etc... Le fait de ne pas envisager les valeurs 1, 3 et 5 serait juste pour simplifier le tableau. Mais n'hésite pas à poster la suite, il y aura bien un intervenant plus qualifié pour te répondre. N'hésite pas non plus à faire un tour sur la toile, je pense que tu pourras y trouver des informations intéressantes pour cette partie de ton cours.
E-Bahut Denis CAMUS Posté(e) le 25 mars 2020 E-Bahut Signaler Posté(e) le 25 mars 2020 Bonsoir, Modulo 5 D'après moi : 6 === > 0 0 1 7 === > 0 1 0
olafelix Posté(e) le 25 mars 2020 Auteur Signaler Posté(e) le 25 mars 2020 Merci beaucoup Ok , je vais suivre vos conseils. je termine les exos et poste demain, tout en cherchant .... Bonne soirée Sylvain
E-Bahut Denis CAMUS Posté(e) le 25 mars 2020 E-Bahut Signaler Posté(e) le 25 mars 2020 Sauf erreur : Pour le 4) je ne sais pas si l'énoncé demande de sauter les étapes intermédiaires (passer directement de 0 à 2, puis 2 à 4,...) Je l'ai fait en supposant que c'était un compteur séquentiel, donc passage de 0 à 1 (qui n'est pas dans le tableau), puis de 1 à 2, de 2 à 3( pas dans le tableau),... S'il faut passer directement de 0 à 2, 4, 6, 7, 0 le problème est que l'on connaît pas l'état initial pour 0. J'ai donc commencé le tableau au passage de 2 à 4, jusqu'à arriver au 0 du bas et j'ai reporté les donnée sur la ligne du 0 du haut.
olafelix Posté(e) le 26 mars 2020 Auteur Signaler Posté(e) le 26 mars 2020 Bonjour @Denis CAMUS , Merci beaucoup pour votre aide, pouvez vous m'expliquer le nombre 6 et 7 du tableau pour 6 on devrais pas avoir 110 et 7 111 et pour 7 :111. Un camarade a mis la même chose que moi et si on part de 4 qui a 100 ,5 = donc 101 d'ou 6 devrait être = à 110 et 7 donc à 111. Merci d'avance pour votre explication et je poursuis là le reste que je n'arrive pas à comprendre et vous remercie si vous pouvez me guider.
E-Bahut Denis CAMUS Posté(e) le 26 mars 2020 E-Bahut Signaler Posté(e) le 26 mars 2020 Il faudrait que tu revois (revoyez avec ton copain) la définition du modulo. Et aussi la comprendre. Le modulo, c'est le reste de la division entière par un nombre donné. Dans ton exercice ce nombre est 5. Donc lorsque tu utilises modulo 5, c'est le reste de la division par 5. 1 ===> quotient 0 et reste 1. ===> 1 mod 5 = 1 2 ===> reste 2. ===> 2 mod 5 = 2 4 ===> reste 4. ===> 4 mod 5 = 4 5 ===> quotient 1 mais reste 0. ===> 5 mod 5 = 0 7 ===> quotient 1 et reste 2. ===> 7 mod 5 = 2 Jusque là, ça roule ?
olafelix Posté(e) le 26 mars 2020 Auteur Signaler Posté(e) le 26 mars 2020 A division euclidienne c'est ça ? Merci PS: comment supprimer des pièces jointes car je ne peux plus mettre de PJ et envoyer le reste de mon exercice.? Un grand merci
E-Bahut Denis CAMUS Posté(e) le 26 mars 2020 E-Bahut Signaler Posté(e) le 26 mars 2020 Pourquoi veux-tu supprimer des pièces jointes ? Si tu t'es trompé au début, tu envoies maintenant les versions corrigées. Mais vérifie aussi ce que j'ai envoyé. J'ai été obligé de le corriger quelques fois car c'est vraiment une prise de tête. Il faudrait aussi que tu aies la confirmation que l'on saute des étapes comme semblent l'indiquer les flèches dans la marge de gauche du dernier tableau.
E-Bahut Denis CAMUS Posté(e) le 26 mars 2020 E-Bahut Signaler Posté(e) le 26 mars 2020 Il y a 1 heure, olafelix a dit : quand je veux insérer une pièce le site indique que j'ai atteint la capacité maximum... Si tu vas dans ton compte, je crois que tu peux supprimer toi-même des pièces jointes. Edit : je suis allé dans le mien et je ne peux pas. Tu as droit à combien de mégas ? Chez moi c'est 976 Mo. J'ai regardé tes messages et tu n'as pas vraiment utilisé beaucoup de pièces jointes. Envoie un MP à zola2, c'est l'administrateur du site et explique ton problème. Il y a peut-être un bg. @Julesx : Tu as une idée de ce qui est demandé pour le dernier tableau ?
olafelix Posté(e) le 26 mars 2020 Auteur Signaler Posté(e) le 26 mars 2020 Merci beaucoup @julesx et @Denis CAMUS, oui il faut un site d'hébergement
E-Bahut Denis CAMUS Posté(e) le 26 mars 2020 E-Bahut Signaler Posté(e) le 26 mars 2020 Oui, je les ai récupérées. Mais envoie un message à zola2 comme dit dans le message précédent. EDIT : j'ai inséré tes pièces jointes dans ton dernier message. EDIT de l'EDIT : exercice 1 : la bascule D bascule sur front montant et non pas sur front descendant. Sinon, le principe est bon. Tu translates à gauche de la valeur d'un créneau.
E-Bahut Denis CAMUS Posté(e) le 26 mars 2020 E-Bahut Signaler Posté(e) le 26 mars 2020 Essaie de régler quand même ton problème avec zola2 car je ne serai pas toujours présent pour éditer tes messages. Tu peux répondre aux questions que je t'ai posées plus haut concernant tes pièces jointes ?
E-Bahut julesx Posté(e) le 26 mars 2020 E-Bahut Signaler Posté(e) le 26 mars 2020 il y a 49 minutes, Denis CAMUS a dit : @Julesx : Tu as une idée de ce qui est demandé pour le dernier tableau ? Désolé, mais mes connaissances dans ce domaine sont basiques-moins. J'ai fait un peu d'électronique analogique, un peu d'automatisme et surtout beaucoup d 'électrotechnique. En plus, vu mon age, je commence à me rouiller ! Je pensais pouvoir aider olafelix au départ, mais j'ai vite vu mes limites !
olafelix Posté(e) le 26 mars 2020 Auteur Signaler Posté(e) le 26 mars 2020 Il y a 1 heure, Denis CAMUS a dit : Essaie de régler quand même ton problème avec zola2 car je ne serai pas toujours présent pour éditer tes messages. Tu peux répondre aux questions que je t'ai posées plus haut concernant tes pièces jointes ? OK je fais un mail à Zola2,cela affiché que j'ai utilisé la totalité de la capacité, j'espère que c'est un bug .Pour répondre aux questions concernant les PJ oui il faut sans doute sauter les étapes mais on l'a jamais fait en cours et le pb est que c'est pas du tout évident , les cours à distance et je pense aussi avoir compris le modulo 5 suite à vos explications merci. Il y a 2 heures, Denis CAMUS a dit : Oui, je les ai récupérées. Mais envoie un message à zola2 comme dit dans le message précédent. EDIT : j'ai inséré tes pièces jointes dans ton dernier message. EDIT de l'EDIT : exercice 1 : la bascule D bascule sur front montant et non pas sur front descendant. Sinon, le principe est bon. Tu translates à gauche de la valeur d'un créneau. Désolé , je comprends pas , c'est à dire????
E-Bahut Denis CAMUS Posté(e) le 26 mars 2020 E-Bahut Signaler Posté(e) le 26 mars 2020 Explications : Rappel de fonctionnement d'une bascule D : A chaque front montant sur l'horloge, Q recopie ce que l'on a en D. Donc : Q = '0'. Q barre = D = '1'. Il y a un front montant sur H : comme D = Q barre = '1' alors Q passe à '1' et Q barre passe à '0'. Il y a un nouveau front montant sur H : comme D = Q barre = '0' alors Q passe à '0' et Q barre passe à '1'. Sur le chronogramme on remarque que la fréquence a été divisé par deux !
E-Bahut Denis CAMUS Posté(e) le 26 mars 2020 E-Bahut Signaler Posté(e) le 26 mars 2020 Pour le compteur modulo 5 à base de bascules JK, peux-tu utiliser une porte ET ?
Messages recommandés
Archivé
Ce sujet est désormais archivé et ne peut plus recevoir de nouvelles réponses.