Aller au contenu

Charge et décharge d'un condensateur


olafelix

Messages recommandés

Posté(e)

Bonjour,

J'ai tenté de faire au mieux et Merci  encore à vous et à qui pourra m'aider et me corriger sur cet exercice sur la charge et décharge d'un condensateur.

Pour l'exercice suivant on s'appuiera souvent sur les notions suivantes :                                                                                                                                                                                                 - en régime permanent (c'est-à-dire lorsque t -> infini) un condensateur se comporte comme un circuit ouvert.                                                                                                                             -il n'y a pas de discontinuité de tension aux bornes d'un condensateur : U(t+) =  Uc (t-)                                                                                                                                                                      - Uc varie selon une exponentielle croissante ou décroissante avec la constante de temps tau entre les valeur Uc(t=0) et Uc(t t->infini) suivant que Uc(t=0) < Uc(t t ->infini) ou Uc(t=0) > Uc(t t -> infini)

image.png.f5e9826546c30cdfafa2103d48f017b2.png

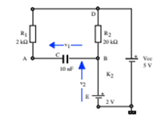
1) Donner dans ces conditions le schéma du montage et en déduire la valeur des tensions V1o et V2o du schéma de la figure 1.                                                                                                     J'ai trouvé se schéma.      V2o= E = 2V          Vcc = 5V              Pour les valeur j'ai fais : Vcc = V1o+V2o                                                                                                                                                                                                                                                                                                                                                                                                          V1o= Vcc- V2o                                                                                                                                                                                                                                                                                                                                                                                                           V1o = 5 - 2 = 3V

image.png.cb0d449cb5259ae85c22a9f1680ab1b7.png        

 A l'intant t=0, on ferme K1 et simultanément on ouvre K2

  2) Donner le schéma du montage . Quelles sont les valeurs des tensions v1i et v2i aussitôt après cette opération ?                                                                                                                           J'ai trouver ce schéma                 Lors de l'événement, fermeture de K1 et ouverture de K2, le condensateur garde ses charges, autrement dit sa tension ne peut pas évoluer instantanément. Dans ses conditions v1i = 3V et v2i = -v1i = - 3V

image.png.9938e4c292cfbe390ad6fd8f10d498f6.png

3) Comment évoluent ensuite ces tensions ?

a) Déterminer les valeurs limites qui peuvent êtres atteintes et et la constante de temps tau1 de l'évolution.

Lorsque C sera complètement chargé pour t infini, son courant sera nul alors v1 infini=-Vcc = -5V.   La constante de temps d'évolution de la tension est telle que : tau1=R2*C

 R2= 20 000 ohm      C= 10-8 Farad         tau1 = 20 000* 10-8 = 2*10-4 = 200 µS.

b) Donner l'expression de la tension v1(t) et en déduire celle de v2(t).

A= Vcc = -5V       B= Vcc + v1 = 5 + 3 = 8    RC = tau1 = 200 µS      t = 0 

v1(t) = Ae-t/RC+B = -5 + 8 e(-0/200)         v2(t) = -v1(t)

c) Tracer l'allure de l'évolution de v1(t) et de v2(t) dans l'intervalle de temps [ 0,5 tau1 ]

Désoler je ne peut pas mettre la courbe

On notera qu'à l'instant t = 0, la tension v2 (0) passe de la valeur 2V à -3V puis la courbe v2 monte jusque a 5 V est la courbe v1 par de 3V est baisse jusque a atteindre -5V

4) Déterminer l'instant tau bout du quel la tension v1(t) atteint zéro volt.

Pour trouver v1(t) j'applique la formule t0-td = tau1 ln (Uinfini - Ud / Uinfini - U0) = 200 ln ( 8-0/8-3) = 94µS

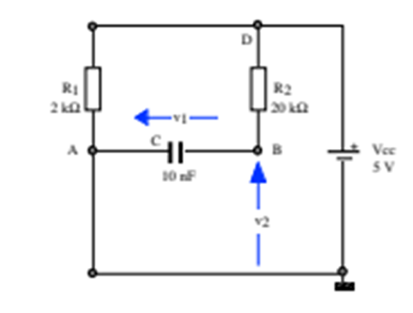
Sans attendre que l'évolution de v1(t) soit terminée, à l'instant t1 où la tension v1(t) atteint zéro volt, le dispositif ouvre K1 et simultanément ferme K2.

5) Le temps t1 est la nouvelle origine du temps.                                                                                                                                                                                                                                                Prévoir comment les tensions v1(t) et v2(t) évoluent. Donner le schéma équivalent , les équations et tracer les courbes représentatives à la suite des graphes précédents.

La tension de v2(t) passe instantanément a 2V on reprend le premier schéma 

A l'instant t = 0 le condensateur garde ses charge aussi v1initiale=0V 

                  - La constante de temps est telle que : tau2 = R1*C = 2 000 * 10-8 = 2*10-5 = 20 µS

                  - La tension v1 infini s'établit à 3V.

                                                                           v1(t) = E(1-e-t/RC ) = 3(1-e-94/20) = 2, 97 V = 3 V

Pour le graphe la courbe vpar de 0 est monte directement a 2 est puis reste constante est pour v1 la courbes par de 0 est monte progressivement a 3 V

Merci d'avance pour votre aide

 

 

 

 

 

Posté(e)

Bonjour,

 

2)
V1i = 3 V
V2i = -3 V

******
3 a) 
V1(t-->+oo) = -5 V
V2(t-->+oo) = 5 V
******
3 b)

V1(t) = 3 - 8.(1 - e^(-t/(R2.C))

avec Tau = R2.C = 20.10³*10.10^-9 = 2.10^-4 s

et v2(t) = - 3 + 8.(1 - e^(-t/(R2.C))
*****
4)
v1(t1) = 0 ---> 3 - 8.(1 - e^(-t1/(R2.C)) = 0

3 - 8.(1 - e^(-t1/(2.10^-4)) = 0
(1 - e^(-t1/(2.10^-4)) = 3/8
e^(-t1/(2.10^-4)) = 5/8
-t1/(2.10^-4) = ln(5/8)
t1 = ln(8/5) * 2.10^-4
t1 = 9,4.10^-5 s (94 µs)
*****
5)
V1(t) = 3.(1 - e^-t/(R1.C))
Avec R1C = 2.10^3 * 10^-8 = 2.10^-5 s (20 µs)

V1(t) = 3.(1 - e^-t/(R1.C))
V1(t) = 3.(1 - e^-t/(2.10^-5))
Attention, ne pas ici écrire, comme tu l'as fait : V1(t) = 3.(1 - e^(-94/20)) ... cela c'est faux.

V2(t) = 2 V
*****

 

 

Posté(e)

Bonjour,

Correction de mon précédent message :

 

Pour la 3b

On a en série : l'alimentation Vcc , R2, C 

Equation de la maille : Vcc - R2.i + V1 = 0  (1)   ... (avec i le courant qui "descent" dans R2)

On a aussi : i = - C.dV1/dt (2)

Avec V1(0) = 3 V  (3)

(2) dans (1) -->

Vcc + R2.C.dv1/dt + v1 = 0 

R2.C.dv1/dt + v1 = - Vcc  (avec v1(0) = 3 V)

C'est une équation différentielle qu'il faut résoudre :

Solutions de R2.C.dv1/dt + V1 = 0 :
v1 = K.e^(-t/(R2.C))  avec K une costante réelle

Solution particulière de R2.C.dv1/dt + v1 = - Vcc
v1 = -Vcc

Solutions générales de R2.C.dv1/dt + v1 = Vcc :

v1 = -Vcc +  K.e^(-t/(R2.C))

Et avec v1(0) = 3 --->

3 = -Vcc + K*e^0
K = 3 + Vcc

Donc finalement : v1(t) = -Vcc +  (3 + Vcc).e^(-t/(R2.C))
 
avec Vcc = 5 V -->

v1(t) = -5 + 8.e^(-t/(R2.C))
et
v2(t) = 5 - 8.e^(-t/(R2.C))
*****
4)

v1(t1) = 0 -->  5 = 8.e^(-t1/(R2.C))
e^(-t1/(R2.C)) = 5/8
t1/(R2.C) = ln(8/5)
t1 = ln(8/5)*R2.C = 94 µs
*****

Sauf nouvelle distraction.

  • E-Bahut
Posté(e)

@olafelixDans ta rédaction de l'exercice, ce n'est pas absolument clair, mais est-ce que, pour la résolution des questions de régime transitoire, vous admettez pouvoir partir directement du résultat suivant :

Dans le cas d'une charge/décharge de condensateur, la tension aux bornes est toujours de la forme A+B*e-t/tau A et B se déduisant des valeurs initiales et finales de cette tension.

Posté(e)
il y a 33 minutes, julesx a dit :

@olafelixDans ta rédaction de l'exercice, ce n'est pas absolument clair, mais est-ce que, pour la résolution des questions de régime transitoire, vous admettez pouvoir partir directement du résultat suivant :

Dans le cas d'une charge/décharge de condensateur, la tension aux bornes est toujours de la forme A+B*e-t/tau A et B se déduisant des valeurs initiales et finales de cette tension.

Donc j'applique cette formule d'équation différentielle qui vont permettre les constantes A et B dans les conditions initiales et finales soit initiale lorsque Uc5t=0 et finale lorsque uc(t) est en fin de charge??

  • E-Bahut
Posté(e)

Ce n'est pas une "formule d'équation différentielle" mais la forme de la solution dans le cas général. Voir la suite en MP.

Archivé

Ce sujet est désormais archivé et ne peut plus recevoir de nouvelles réponses.

×
×
  • Créer...
spam filtering
spam filtering