Aller au contenu

Physique - Tension Et Intensité [1Ère S]


bobmarlay

Messages recommandés

Posté(e)

Bonjour, je dois rendre mon devoir mercredi.

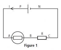
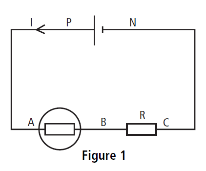
Exercice 1 :

On considère le circuit suivant contenant une pile (de force électromotrice E et de résistance interne r), une lampe et une résistance R.

Données (Où U = tension, PN le générateur, et BC la résistance) :

UPN = 4,5 V

UBC = 1,5 V

1, 2, 3, 4 : Déjà réalisés et aucun rapport avec la question 5

5 : En prenant pour origine des potentiels VN (VN = 0), calculer les potentiels VA, VB et VC.

Que peut-on dire du potentiel électrique lorsque l'on passe de la borne positive à la borne négative du générateur?

Ici se pose mon problème : Puisque A est relié à P par un fil, est-il lui aussi à 4,5 V ? Et comment rédiger cela ? La figure 1 est le schéma.

Le potentiel électrique décroit de la borne positive à la borne négative. <-- Réponse à la question.

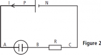
Exercice 2 Schéma en figure 2 :

On considère le circuit suivant contenant une pile (de force électromotrice E et de résistance interne r), un électrolyseur de résistance interne r' et une résistance R.

Données :

E= 6,0 V

r = 3,5 Holm

r' = 2 Holm

I = 0.40 A

UPN = 4,6 V

R = 4,5 Holm

UBC = 1,8 V

UAB = 2,8 V

1/ Exprimer et calculer l'énergie chimique Wch transformée dans la pile :

Wch = E*I*Delta t

AN : Wch = 6.0*0.40*300

Wch = 720J

2/ Exprimer et calculer l'énergie électrique disponible We utilisée dans le circuit électrique (énergie fournie par le générateur au circuit) :

We = UPN*I*Delta t

AN : We = 4.6*0.40*300

We = 552J

3/ Exprimer et calculer l'énergie électrique Wel absorbée par l'électrolyseur :

Wel = UAB*I*Delta t

AN : Wel = 2.8*0.40*300

Wel = 336J

4/ Exprimer et calculer l'énergie Wu convertie sous forme chimique dans l'électrolyseur (et c'est ici que je doutes) :

Wu = Wel - Qel

Wu = Wel - r'*I²*Delta t

AN : Wu = 336 - 2.040²*300

Wu = 240 J

5/ Exprimer et calculer l'énergie électrique Q perdue par effet Joule dans le circuit électrique :

Q = Qel + QR + Qpi

Q = Qel + R*I²*Delta t + r*I²*Delta t

AN : Q = 96 + 216 + 168

Q = 480 J

6/ Calculer : Wch - Q - Wu.

Que peut-on en conclure ?

AN : Wcb - Q - Wu = 720 - 480 - 240 = 0

On en conclu donc que l'énergie chimique transformée par la pile est égal à l'addition de l'énergie électrique perdue par effet Joule dans le circuit électrique et de l'énergie convertie sous forme chimique dans l'électrolyseur.

Je voudrais savoir si tous mes calculs sont bons, s'ils ont un sens dans le 4/ et 5/ et si la réponse du 6/ est bien rédigée : que j'ai bien conclu ce qu'il fallait et non répondu à côté de la plaque.

Merci d'avoir lu, et pour les réponses futures smile02.gif!

post-50878-0-77620800-1295371637_thumb.p

post-50878-0-35566500-1295371644_thumb.p

post-50878-0-77620800-1295371637_thumb.p

post-50878-0-35566500-1295371644_thumb.p

post-50878-0-77620800-1295371637_thumb.p

post-50878-0-35566500-1295371644_thumb.p

post-50878-0-77620800-1295371637_thumb.p

post-50878-0-35566500-1295371644_thumb.p

post-50878-0-77620800-1295371637_thumb.p

post-50878-0-35566500-1295371644_thumb.p

post-50878-0-77620800-1295371637_thumb.p

post-50878-0-35566500-1295371644_thumb.p

post-50878-0-77620800-1295371637_thumb.p

post-50878-0-35566500-1295371644_thumb.p

post-50878-0-77620800-1295371637_thumb.p

post-50878-0-35566500-1295371644_thumb.p

post-50878-0-77620800-1295371637_thumb.p

post-50878-0-35566500-1295371644_thumb.p

post-50878-0-77620800-1295371637_thumb.p

post-50878-0-35566500-1295371644_thumb.p

post-50878-0-77620800-1295371637_thumb.p

post-50878-0-35566500-1295371644_thumb.p

post-50878-0-77620800-1295371637_thumb.p

post-50878-0-35566500-1295371644_thumb.p

Archivé

Ce sujet est désormais archivé et ne peut plus recevoir de nouvelles réponses.

×
×
  • Créer...
spam filtering
spam filtering